
Posocoderはロバストな回転型位置センサーです。
回転軸に連結された偏芯ロータとセンサー内に固定されたコイル(1次と2次)を利用し、磁気誘導の変化を角度変化として検出します。センサー内部に電子部品が使用されていないため優れた耐環境性を誇っております。
変換器と組合せ1回転を8192分割しアブソリュートの位置信号を出力します。
【センサー内部に半導体やディスクが使用されていないため優れた耐環境性を有します。】
【機械的フルアブソリュートですので停電後の原点再設定が不要です。】
【ゼロセット機能、プリセット機能が付属しており、任意の位置での設定が可能です。】
![]()
| 直線性 | 1°Max | 分解能 | 8192 (13bit) (SC-12変換器と接続時) |
|
|---|---|---|---|---|
| 起動トルク | 5N・cm以下 | 軸許容荷重 | ラジアル98N/スラスト49N | |
| 許容回転数 | 3600rpm | 軸受寿命 | 5.5×104時間 (3600rpm時) | |
| 使用温度範囲 | -20~60℃<結露・凍結は除く> | 保存温度範囲 | -30~90℃<結露・凍結は除く> | |
| 耐振 | 10G | 耐衝撃 | 500G | |
| ケーブル長 | 2m(標準) 追加ケーブルで最大100mまで延長可能 |
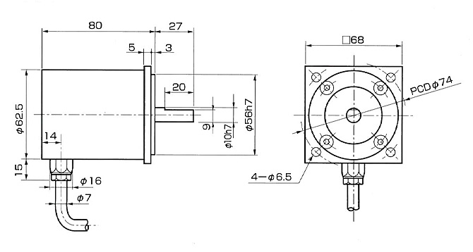
ケース材質 | S45C | |
| 保護構造 | IP52 | 重量 | 約1.35kg |
| 製品名 | 出力 | 測定範囲 | 線形性 | 分解能 | 許容回転数 | 使用温度範囲 | 耐振 / 耐衝撃 | 保護規格 |
|---|---|---|---|---|---|---|---|---|
| 組合せコントローラによる (アブソリュート方式) |
360° | 1° | 8192 / 1回転 | - | -20~60℃ | 10G / 500G | IP54 | |
| 4-20mA 0-10V ±10V 別置きアンプでデジタル出力 |
1回転 30回転 60回転 120回転 240回転 |
±0.5° | 1回転:8192 30回転:2048 60回転:1024 120回転:512 240回転:256 |
3600rpm | -20~+80℃ | 10G/500G | IP52 オプションIP65 |
|
| 組合せコントローラによる (アブソリュート方式) |
360° | 1° | 8192 / 1回転 | 4000rpm | -20~120℃ | 20G / 500G | IP67 | |
| 組合せコントローラによる (アブソリュート方式) |
最大512回転 | 1° | 全域で65536分割 | - | -20~120℃ | 20G / 500G | IP67 | |
| 組合せコントローラによる (アブソリュート方式) |
最大512回転 | 1° | 全域で65536分割 | - | -20~80℃ | 10G / 300G | IP65 | |
| 組合せコントローラによる (アブソリュート方式) |
最大512回転 | 1° | 全域で65536分割 | - | -20~60℃ | 10G / 300G | IP52 |
データダウンロード