![]()

ドイツSIKO社製のワイヤ式リニアエンコーダです。
ワイヤBoxに取り付けられたエンコーダからワイヤ引出し
長さに応じたインクリメンタル(Push-Pull)信号を出力します。
また用途・目的によりワイヤ材質を選択することができます。
SG60-2800-Pは、振動・衝撃に強いポリエチレン繊維タイプです。
(注)SG60の取扱説明書を更新しました。(2020/12/5)
以前の取扱説明書からは、フォーマットを変更し、下記について変更しました。
① <仕様>の表
・最大速度:(誤)3000mm/sec → (正)300mm/sec
・寿命についての項目は削除(使用用途/環境が多岐にわたる為)
② コネクタの結線図の機能内容を修正
(誤)5pin(B)、8pin(A) → (正)5pin(A相出力)、8pin(B相出力)
![]()
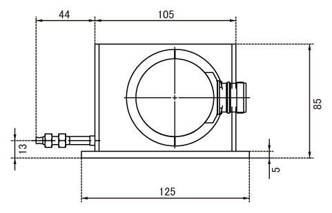
| ワイヤ材質 | ポリエチレン | ワイヤ長さ / 径 | 2.8m / Φ1.05 | |
|---|---|---|---|---|
| ワイヤ張力 | Min. 8N | 最大速度 | 300mm/sec(注1) | |
| 分解能 | 0.1mm(注2) | |||
| 再現性 | ±0.15mm | 出力 | インクリメンタル A相B相(Push-Pull) | |
| 供給電源 | +24VDC(±2V)(25mA) | 使用温度範囲 | -20℃~80℃(標準) | |
| 重量 | 約1.1kg | 保護規格 | IP65 |
(注1)オプションT2(低温用)は 300mm/secです。
(注2)内部ドラム円周200mm、エンコーダは2000パルス/回転です。
(注3)ワイヤBox材質はアルミ部とプラスチック部から構成されています。

①ワイヤ材質
2800-P:ポリエチレン
②使用温度範囲
T1:-20℃~+80℃(標準)
T2:-40℃~+80℃(オプション)
※オプションでアナログ出力も用意しております。
| 製品名 | 出力 | 測定範囲 | 線形性 | 分解能 | 繰返し精度 | 最大速度 | 使用温度範囲 | 保護規格 |
|---|---|---|---|---|---|---|---|---|
|
A/B相 (PushPull) (オプション) アナログ出力 |
2800mm | - | 0.1mm | ±0.15mm | 300mm/sec | -20℃~80℃ (オプション) -40℃ |
IP65 |
| A/B相パルス (Push-Pull) |
6000mm | - | 0.1mm | ±0.15mm | 300mm/sec | -20℃〜80℃ | IP65 | |
| 電流 電圧 |
3000mm | - | DA 13bit | ±0.15mm | 300mm/s | -40~80℃ | IP65 | |
| A/B相パルス (PushPull) <オプション> アナログ出力 |
2000mm | ±0.1%FS | 0.1mm (パルス周期) |
±0.15mm | 150mm/sec | -10℃~80℃ | IP54 | |
|
電圧 / 電流 CAnopen |
500mm, 1000mm | - | 12bit(アナログ出力の場合) | - | お問合せ 下さい |
-40℃~85℃ | IP69K |
|
A/Bパルス SSI CANopen |
2000mm | - | - | ±0.15mm | お問合せ 下さい |
-10℃~80℃ | - |
|
ポテンショメータ 電圧, 電流 |
300mm 600mm |
±0.35% (ポテンショメータ) |
- | ±0.15mm | お問合せ 下さい |
-10℃~80℃ | IP50 |
|
A/B相パルス SSI アナログ |
2m~60m | ±0.05%FS | Min.0.01mm | ±0.05%FS | 1m/sec (ワイヤ長による) |
-20℃~70℃ | IP64 |
データダウンロード