Settima社(イタリア)のContinuumポンプ。低騒音/低振動のヘリカルギアポンプ。
吐出量:4.2~12.9cm3/rev、定格圧力:17.0~23.4MPaタイプ。
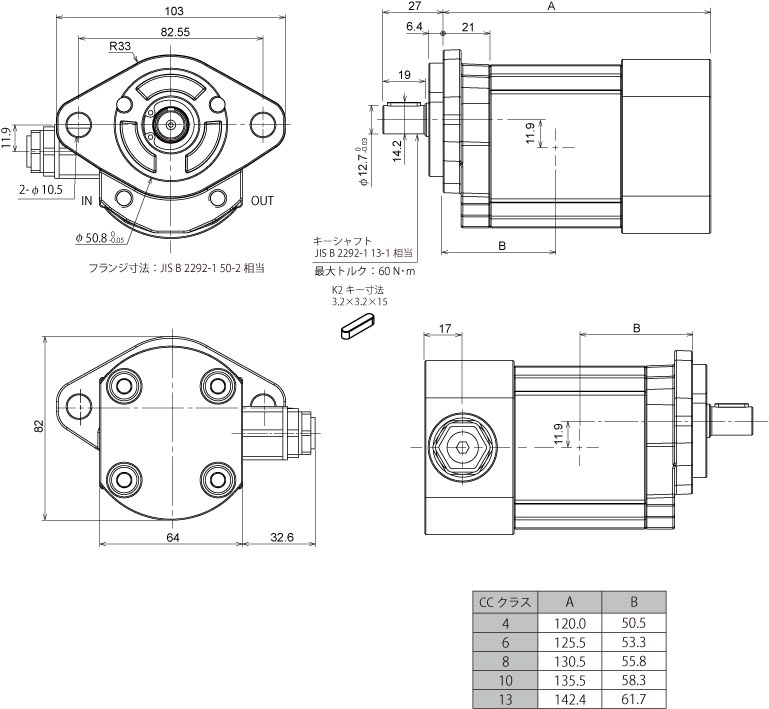
![]()
ヘリカルギア(はすば歯車)
Continuumポンプに採用されているヘリカルギアは、回転中に常に1点のみで接触するよう設計。
そのため閉じ込み部分が無く作動油の圧力が連続的に変化します。
また歯が徐々に噛み合う加工が施されているため、噛み合いに伴う衝撃も減少。
驚異的な騒音、脈動の低減が可能となりました。

3つの革新的技術
・ロータ形状
・スクリューバランス
・内部応力バランス
欧州、米国、中国、カナダ、日本において特許を取得しています。



| ccクラス | 4 6 8 10 13 |
吐出量(cm3/rev) | 4.2 6.4 8.3 10.2 12.9 |
|
|---|---|---|---|---|
| 流量(L/min) | 6.0 9.2 12.0 14.7 18.6 |
定格圧力(MPa) | 23.4 23.4 20.9 18.9 17.0 |
|
| 瞬間圧力(MPa) | 23.8 23.8 22.1 21.3 19.6 |
ピーク圧(MPa) | 25.5 25.5 23.8 23.0 21.3 |
|
| 騒音値(dB) | 55 | 吸入圧(MPa) | -0.02~+0.2 | |
| 作動油種類 | 石油系作動油(鉱物油)、難燃性作動油(合成油) | 作動油粘度 | 使用可能範囲:5~800mm2/s 推奨範囲:32~150mm2/s 始動時:max.3,000mm2/s |
|
| 周囲温度 | -15℃~+60℃ | 作動油温度 | -15℃~+80℃ | |
| 作動油汚染度 | NAS 8級以内(18 / 17 /14 ISO4406) | 質量(kg) | 2 |
※作動油粘度:46mm2/s、回転数:1500rpm

①CCクラス
4 :吐出量 4.2 cm3/rev
6 :吐出量 6.4 cm3/rev
8 :吐出量 8.3 cm3/rev
10:吐出量 10.2 cm3/rev
13:吐出量 12.9 cm3/rev
②フランジタイプ
SAEAA:SAE 2穴タイプ
③シャフトタイプ
C:キーシャフト
④ポート
G:Gポート
U:Uポート
⑤シール
無記入:NBR
V :FKM(オプション)
⑥回転方向(軸端側から見て)
DX:時計方向
SX:反時計方向(オプション)
⑦安全用リリーフ弁
無記入:リリーフ弁無し
R□□:リリーフ弁有り(オプション)

| 製品名 | ccクラス | 吐出量(cm3/rev) | 流量(L/min) | 定格圧力(MPa) | 瞬間圧力(MPa) | ピーク圧力(MPa) | 騒音レベル(dB) | 質量 |
|---|---|---|---|---|---|---|---|---|
| 4 6 8 10 13 |
4.2 6.4 8.3 10.2 12.9 |
6.0 9.2 12.0 14.7 18.6 |
23.4 23.4 20.9 18.9 17.0 |
23.8 23.8 22.1 21.3 19.6 |
25.5 25.5 23.8 23.0 21.3 |
55 | 2 | |
| 10 13 15 18 |
10.1 12.6 15.2 18.2 |
14.5 18.1 21.8 26.1 |
27.5 26.5 24.1 20.6 |
28.0 27.0 25.0 25.0 |
30.0 29.0 27.0 27.0 |
55 | 5 | |
| 16 18 20 22 25 28 |
15.9 17.9 20.0 22.1 25.2 28.3 |
22.8 25.8 28.8 31.8 36.2 40.7 |
26.5 24.7 23.0 22.2 20.0(20.8) 18.0(19.7) |
28.0 26.0 25.0 24.0(25.0) 21.0(25.0) 19.0(25.0) |
30.0 28.0 27.0 26.0(27.0) 22.0(27.0) 20.0(27.0) |
55 | 6 | |
| 28 32 36 40 45 50 |
28.0 32.2 36.3 40.5 45.5 50.3 |
40.3 46.3 52.3 58.3 65.0 72.4 |
27.0 25.2 23.9 22.5 21.3 20.2 |
28.0 27.0 25.0 25.0 25.0 25.0 |
30.0 28.0 27.0 27.0 27.0 27.0 |
57 | 10 | |
| 50 63 75 90 |
50.5 63.5 75.0 90.9 |
72.7 91.4 108.1 130.9 |
27.5 24.9 22.9 17.8 |
28.0 26.0 25.0 24.0 |
30.0 28.0 27.0 26.0 |
57 | 15 | |
| 94 101 125 150 175 200 |
94.1 101.4 125.5 150.9 175.0 200.4 |
136 147 181 218 253 290 |
24.0 23.0 22.0 20.0 18.0 16.0 |
25.0 24.0 22.0 21.0 19.0 17.0 |
26.0 25.0 23.0 22.0 20.0 18.0 |
57 | 30 |
データダウンロード